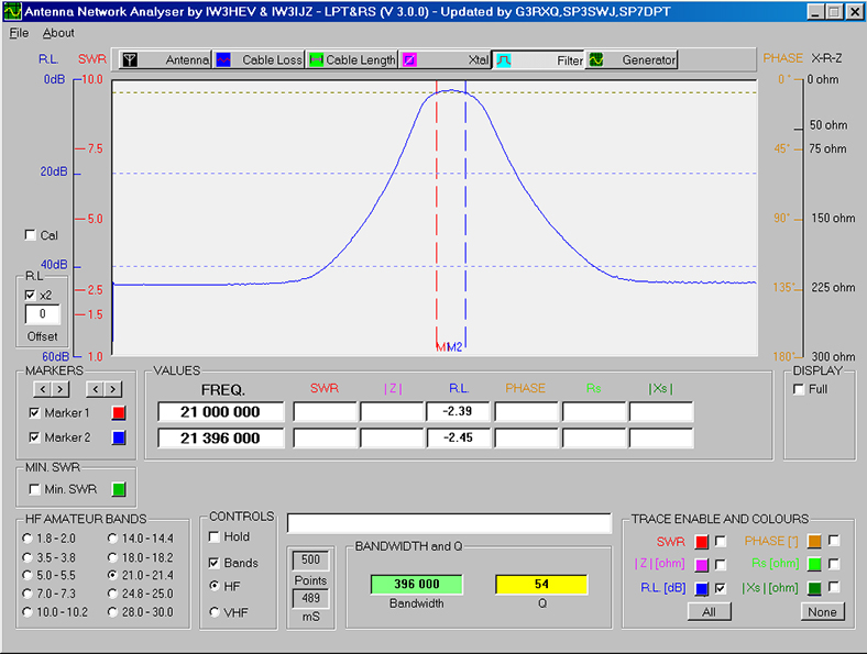
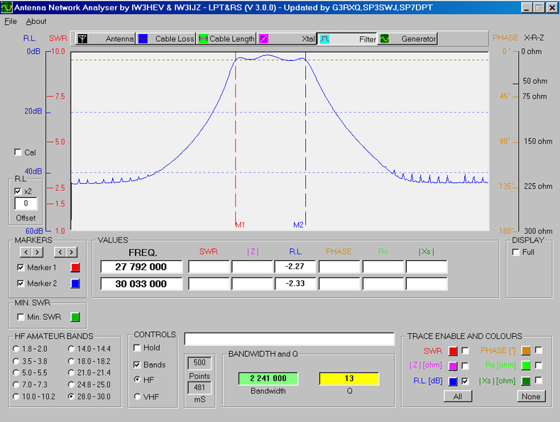
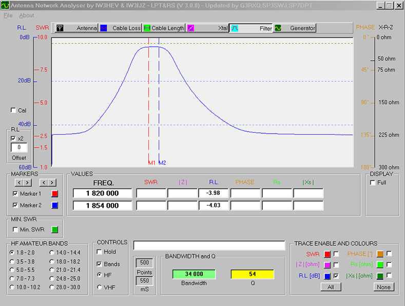
Band Pass Filter.

 

 

Wykresy z VNA.

 

1.8 Mhz.

 

3.5 Mhz.

 

7.0 Mhz.

 

10 Mhz..

 

14 Mhz.

 

18 Mhz.

 

21 Mhz.

 

28 Mhz.